·
RSS订阅
·
网站地图
·
联系方式
首页
公司简介
新闻资讯
产品中心
荣誉资质
公司一角
在线留言
联系我们
GJB599系列圆形电连接器
GJB599系列I圆形电连接器
GJB599系列II圆形电连接器
GJB599系列III圆形电连接器
J599G光纤光缆连接器
精密圆形电连接器
Y50EX圆形电连接器
Y50X圆形电连接器
Y50DX圆形电连接器
Y11圆形电连接器
Y17圆形电连接器
Y3圆形电连接器
YW耐环境高速网络圆形电连接器
Y3A圆形电连接器
Y3B圆形电连接器
XC(Y55)圆形电连接器
CXCH(CY55H)焊接圆形电连接器
CXCH-01(CY55H-01)船用电连接器
XCG(Y55G)密封圆形电连接器
XCE(Y55E)高密度圆形电连接器
XCD(Y55D)电源圆形电连接器
XCF(Y55F)高密度圆形电连接器
XCM(Y55M)圆形电连接器
XCA(Y55A)圆形电连接器
XC(Y55)及其派生电连接器附件
YL圆形电连接器
YL11圆形电连接器
YLD圆形电连接器
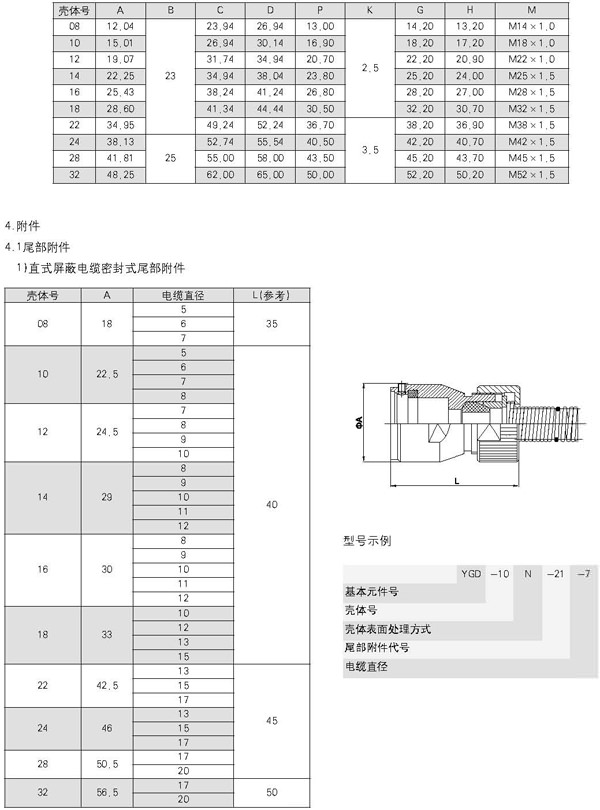
YGD电源连接器
JY/YB/MSⅠ圆形电连接器
JY/YB/MSⅡ圆形电连接器
Y27圆形电连接器
YMA、YMB耐腐蚀深水电连接器
YMC耐腐蚀深水圆形电连接器
YMD耐腐蚀深水电源连接器
YMG耐腐蚀圆形电连接器
Y16的电连接器
XCN(XC158)高可靠密封线簧连接器
XCNA(XC158A)高可靠密封线簧连接器
矩形电连接器
J7矩形电连接器
J14A矩形电连接器
J14B矩形电连接器
J14E矩形电连接器
J14F矩形电连接器
J14H矩形电连接器
J14Q矩形电连接器
J14T矩形电连接器
J29系矩形电连接器
J30微矩形电连接器
J30J微矩形电连接器
J24H微型矩形连接器
分离脱离电连接器
JF2-126分离脱离电连接器
JF3-256分离脱离电连接器
JF5型脱落电连接器
YF6型圆形防雨分离电连接器
推拉自锁连接器
TL24系列推拉式圆形连接器
YTL系列高密度推拉式圆形电连接器
特种圆形电连接器
YG光纤连接器
GYD重载圆形电连接器
CT34D单芯大电流电连接器
普通圆形电连接器
XS小圆形电连接器
XQ小圆形电连接器
YS小圆形电连接器
YQ小圆形电连接器
Y4小圆形电连接器
Y2圆形电连接器
LYP圆形电连接器
YQM气密封圆形电连接器
YF防水电连接器
YQC型防水小圆形电连接器
YPB电连接器
新能源汽车电连接器
CT34D系列卡口式连接器
CT34T系列推拉式大电流连接器
DQ系列电动汽车充电接口
CT34E系列连接器
C105系列推拉式信号连接器
DY3系列卡口防水压接连接器
电动汽车配电及线束总成
LHV2两芯直头高压连接器
HVIL系列80A高压互锁连接器
企业名称:泰兴领航电连接器有限公司
手机:15052857428
联系人:陈经理
传真:0523-87599876
地址:泰兴市文昌西路71号(大生工业园区)
YGD系列圆形电连接器
您当前的位置为:
首页
>
YGD系列圆形电连接器
返回产品中心